- 〉 垃(la)圾焚(fen)燒專(zhuan)用氣(qi)體分(fen)析儀(yi)
- 〉 氧化(hua)锆氧(yang)量分(fen)析儀(yi)
- 〉 油煙(yan)監控(kong)系統(tong)
- 〉 固定(ding)式氣(qi)體檢(jian)測儀(yi)
- 〉 便攜(xie)式氣(qi)體檢(jian)測儀(yi)
- 〉 氣體(ti)報警(jing)控制(zhi)主機(ji)
- 〉 煙(yan)霧濃(nong)度分(fen)析儀(yi)
- 〉 轉速(su)儀表(biao)
- 〉 轉(zhuan)速傳(chuan)感器(qi)
- 〉 防(fang)堵吹(chui)掃及(ji)氣源(yuan)分配(pei)
- 〉 液位(wei)儀表(biao)
- 〉 變(bian)送器(qi)
- 〉 壓力(li)儀表(biao)
- 〉 溫度(du)儀表(biao)
- 〉 流量(liang)儀表(biao)
- 〉 報警(jing)儀表(biao)
- 〉 儀表(biao)盤櫃(gui)
- 〉 空氣(qi)淨化(hua)
- 〉 配(pei)電隔(ge)離器(qi)
聯系(xi)人:周(zhou)先生(sheng)
手機(ji):
電話(hua):
傳真(zhen):
郵箱(xiang):[email protected]
地址(zhi):無錫(xi)市濱(bin)湖區(qu)胡埭(dai)鎮環(huan)鎮西(xi)路35-2
煙(yan)塵、煙(yan)氣連(lian)續在(zai)線監(jian)測系(xi)統
1. 系(xi)統總(zong)則
萬(wan)周煙(yan)塵、煙(yan)氣連(lian)續在(zai)線監(jian)測系(xi)統設(she)備的(de)功能(neng)設計(ji)、結👩🏼❤️👨🏾構(gou)、性能(neng)🏊🏿♀️、安裝(zhuang)和試(shi)驗等(deng)方面(mian)的技(ji)術要(yao)求,均(jun)符💌合(he)國家(jia)有關(guan)環境(jing)保護(hu)标準(zhun)要求(qiu),滿足(zu)中華(hua)人民(min)共和(he)國環(huan)境保(bao)護行(hang)業(HJ/T75-2001、HJ/T76-2001)标(biao)👋準要(yao)求🙈。
萬(wan)周 煙(yan)塵、煙(yan)氣連(lian)續在(zai)線監(jian)測系(xi)統由(you)氣态(tai)污染(ran)物監(jian)測子(zi)系統(tong)🎅🏿、顆粒(li)物監(jian)測子(zi)系統(tong)、煙氣(qi)參數(shu)監測(ce)子系(xi)統與(yu)處理(li)子系(xi)統💕組(zu)成,其(qi)中氣(qi)态污(wu)染物(wu)監測(ce)子系(xi)統與(yu)處理(li)子系(xi)統安(an)裝在(zai)标準(zhun)19英寸(cun)機櫃(gui)内。系(xi)統組(zu)成如(ru)下圖(tu):
圖 一(yi)、CEMS系統(tong)組成(cheng)圖
氣(qi)态污(wu)染物(wu)監測(ce)子系(xi)統:由(you)取樣(yang)單元(yuan)、預處(chu)理單(dan)元和(he)分析(xi)單元(yuan)等組(zu)成。
取(qu)樣單(dan)元:由(you)電加(jia)熱取(qu)樣探(tan)頭、電(dian)加熱(re)取樣(yang)管線(xian)和反(fan)吹系(xi)👱🏼♂️統💕等(deng)組成(cheng)。
預處(chu)理單(dan)元:由(you)流量(liang)傳感(gan)器、精(jing)細過(guo)濾器(qi)、壓縮(suo)機冷(leng)凝器(qi)、蠕動(dong)泵、采(cai)樣泵(beng)、溢流(liu)裝置(zhi)、儲水(shui)桶、濕(shi)度傳(chuan)感器(qi)和流(liu)量計(ji)等組(zu)成。
分(fen)析單(dan)元:1、采(cai)用國(guo)産EM-5多(duo)組份(fen)氣體(ti)分析(xi)器,精(jing)度高(gao),維修(xiu)成本(ben)較低(di)。
粒物(wu)監測(ce)子系(xi)統:1、采(cai)用國(guo)産煙(yan)塵監(jian)測儀(yi)。
圖 二(er)、CEMS系統(tong)安裝(zhuang)示意(yi)圖
2. 系(xi)統組(zu)成
2.1 氣(qi)态污(wu)染物(wu)監測(ce)
2.1.1 取樣(yang)和預(yu)處理(li)單元(yuan)
樣氣(qi)在取(qu)樣泵(beng)的抽(chou)力下(xia)由取(qu)樣探(tan)頭取(qu)出。樣(yang)氣中(zhong)的絕(jue)大😍部(bu)分顆(ke)粒物(wu)被取(qu)樣探(tan)頭中(zhong)的過(guo)濾器(qi)濾除(chu),濾除(chu)後由(you)伴熱(re)管線(xian)輸送(song)到制(zhi)冷系(xi)統冷(leng)凝除(chu)水,送(song)至分(fen)析單(dan)元進(jin)行分(fen)析。冷(leng)凝下(xia)來的(de)水經(jing)排水(shui)系統(tong)排掉(diao)。由控(kong)制單(dan)元實(shi)現自(zi)動反(fan)👾吹、自(zi)動标(biao)定、取(qu)樣系(xi)統堵(du)塞報(bao)警、制(zhi)冷溫(wen)度報(bao)警、标(biao)氣瓶(ping)更換(huan)提示(shi)等功(gong)能,并(bing)顯示(shi)系統(tong)的各(ge)種工(gong)作狀(zhuang)态。
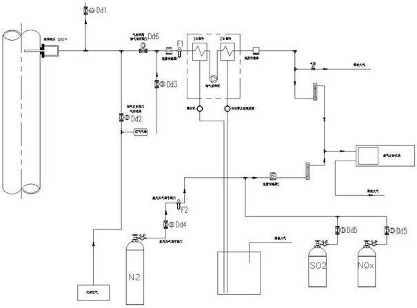
預(yu)處理(li)系統(tong)中采(cai)用二(er)級快(kuai)速冷(leng)凝除(chu)水,确(que)保氣(qi)體組(zu)分不(bu)變。采(cai)用三(san)級精(jing)細過(guo)濾,确(que)保氣(qi)體測(ce)量室(shi)不被(bei)污染(ran),從而(er)提高(gao)分析(xi)儀的(de)使用(yong)壽命(ming)。下圖(tu)即爲(wei)氣态(tai)污染(ran)物監(jian)測系(xi)統流(liu)程圖(tu)。
圖 三(san)、氣态(tai)污染(ran)物監(jian)測系(xi)統流(liu)程圖(tu)
2.1.2
氣體(ti)分析(xi)儀
1、 EM-5多(duo)組分(fen)分析(xi)儀技(ji)術指(zhi)标
|
項(xiang)目 |
規(gui)格 |
|
SO2量(liang)程 |
0-100-500-2000ppm及(ji)以上(shang),可定(ding)制,紫(zi)外原(yuan)理 |
|
NO量(liang)程 |
0-100-500-2000ppm及(ji)以上(shang),可定(ding)制,紫(zi)外原(yuan)理 |
|
O2量(liang)程 |
0-25%,電(dian)化學(xue)原理(li) |
|
顯示(shi)分辨(bian)率 |
SO2/NO:1ppm,O2:0.1% |
|
線(xian)性度(du) |
±2%F.S. |
|
重複(fu)性 |
±0.5%F.S. |
|
零(ling)點漂(piao)移 |
±2%F.S./7天(tian) |
|
量程(cheng)漂移(yi) |
±2%F.S./7天 |
|
工(gong)作溫(wen)度範(fan)圍 |
-10~50℃ |
|
響(xiang)應時(shi)間 |
10秒(miao) |
|
尺寸(cun) |
|
|
4-20mA輸入(ru)接口(kou) |
2路,可(ke)靈活(huo)配置(zhi) |
|
4-20mA輸出(chu)接口(kou) |
4路,輸(shu)出内(nei)容可(ke)配置(zhi) |
|
數字(zi)量輸(shu)入接(jie)口 |
4路(lu),可靈(ling)活配(pei)置 |
|
開(kai)關量(liang)輸出(chu)接口(kou) |
8路,輸(shu)出内(nei)容可(ke)配置(zhi) |
|
通訊(xun)接口(kou) |
1路232,1路(lu)485 |
|
電源(yuan)/功率(lü) |
220VAC,120W |
|
預熱(re)時間(jian) |
30秒 |
|
防(fang)護等(deng)級 |
IP65 |
|
樣(yang)氣流(liu)量範(fan)圍 |
2L/min±0.5L/min |
|
樣(yang)氣濕(shi)度範(fan)圍 |
<95%rh< p=""> |
CopyRight ©2015-2016 Website(C)無錫(xi)市萬(wan)周儀(yi)器儀(yi)表有(you)限公(gong)司 All Rights Reserve. 蘇(su)ICP備案(an)編号(hao): 16010260号-2 技(ji)術支(zhi)持:江(jiang)陰卓(zhuo)越科(ke)技