- 〉 垃圾(ji)焚燒(shao)專用(yong)氣體(ti)分析(xi)儀
- 〉 氧(yang)化锆(gao)氧量(liang)分析(xi)儀
- 〉 油(you)煙監(jian)控系(xi)統
- 〉 固(gu)定式(shi)氣體(ti)檢測(ce)儀
- 〉 便(bian)攜式(shi)氣體(ti)檢測(ce)儀
- 〉 氣(qi)體報(bao)警控(kong)制主(zhu)機
- 〉 煙霧(wu)濃度(du)分析(xi)儀
- 轉(zhuan)速儀(yi)表
- 〉 轉速(su)傳感(gan)器
- 〉 防堵(du)吹掃(sao)及氣(qi)源分(fen)配
- 〉 液(ye)位儀(yi)表
- 〉 變送(song)器
- 〉 壓(ya)力儀(yi)表
- 〉 溫(wen)度儀(yi)表
- 〉 流(liu)量儀(yi)表
- 〉 報(bao)警儀(yi)表
- 〉 儀(yi)表盤(pan)櫃
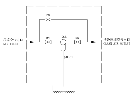
- 〉 空(kong)氣淨(jing)化
- 〉 配電(dian)隔離(li)器
聯(lian)系人(ren):周先(xian)生
手(shou)機:
電(dian)話:
傳(chuan)真:
郵(you)箱:[email protected]
地(di)址:無(wu)錫市(shi)濱湖(hu)區胡(hu)埭鎮(zhen)環鎮(zhen)西路(lu)35-2
智能(neng)空氣(qi)淨化(hua)裝置(zhi)
智能(neng)空氣(qi)淨化(hua)裝置(zhi)
一、 概(gai)述
氣(qi)源淨(jing)化裝(zhuang)置在(zai)電廠(chang)中大(da)量使(shi)用,壓(ya)縮空(kong)氣是(shi)否幹(gan)燥會(hui)影響(xiang)🙂↔️氣動(dong)控制(zhi)系統(tong)的安(an)全穩(wen)定運(yun)行,因(yin)壓縮(suo)空氣(qi)帶水(shui)而導(dao)緻機(ji)組🙈故(gu)障甚(shen)至停(ting)機時(shi)有發(fa)生🙉。壓(ya)縮空(kong)氣雖(sui)然經(jing)幹燥(zao)處理(li),但🧜🏼♂️仍(reng)帶有(you)一定(ding)的水(shui)分。而(er)這部(bu)分水(shui)分在(zai)不同(tong)的季(ji)節随(sui)時間(jian)而積(ji)累呈(cheng)複雜(za)不确(que)定關(guan)系。因(yin)此水(shui)分積(ji)累的(de)結果(guo)是:一(yi)方面(mian)影😵💫響(xiang)用氣(qi)設備(bei)的安(an)全正(zheng)常的(de)工作(zuo),并加(jia)速其(qi)損壞(huai);另一(yi)方面(mian)嚴重(zhong)腐蝕(shi)儲氣(qi)、壓縮(suo)機等(deng)設備(bei),造成(cheng)惡性(xing)循環(huan)。
壓縮(suo)空氣(qi)帶水(shui)是電(dian)廠普(pu)遍存(cun)在的(de)問題(ti),目前(qian)一般(ban)采用(yong)手動(dong)😵💫疏水(shui)閥人(ren)工排(pai)放、利(li)用機(ji)械式(shi)疏水(shui)閥進(jin)行疏(shu)水或(huo)通過(guo)PLC定時(shi)💔控制(zhi)電磁(ci)閥進(jin)行排(pai)放。上(shang)述排(pai)放均(jun)存在(zai)以下(xia)👩🏽🐰👩🏿缺點(dian):
( 1 )由于(yu)供 / 用(yong)汽點(dian)多而(er)面廣(guang),對疏(shu)水閥(fa)進行(hang)人工(gong)巡檢(jian)及手(shou)動排(pai)水耗(hao)時費(fei)🧜🏼♀️力,且(qie)現場(chang)難以(yi)判斷(duan)是否(fou)疏水(shui)幹淨(jing)。
( 2 )機械(xie)式疏(shu)水閥(fa)偏差(cha)大、可(ke)靠性(xing)差,出(chu)現故(gu)障并(bing)難以(yi)修理(li)。
( 3 )不具(ju)備在(zai)實時(shi)在線(xian)監測(ce)功能(neng),無法(fa)實現(xian)即時(shi)在線(xian)控制(zhi)。
( 4 )PLC 定時(shi)控制(zhi)排放(fang)不能(neng)根據(ju)實際(ji)工況(kuang)進行(hang)調整(zheng),即管(guan)道🔞内(nei)🧑🏾🎄無水(shui)它🧑🏾🎄到(dao)時間(jian)也排(pai),浪費(fei)氣源(yuan)并縮(suo)短電(dian)磁閥(fa)💞壽命(ming)。
無錫(xi)市萬(wan)周儀(yi)器儀(yi)表有(you)限公(gong)司 集(ji)二十(shi)餘年(nian)來對(dui)風壓(ya)測量(liang)裝置(zhi)的設(she)計研(yan)發經(jing)曆, 對(dui)風壓(ya)測量(liang)裝置(zhi)進行(hang)改進(jin), 不斷(duan)升級(ji)換代(dai) , 功能(neng)從單(dan)純的(de)風壓(ya)測量(liang)到風(feng)速測(ce)量、從(cong)單一(yi)的測(ce)量功(gong)能到(dao)目前(qian)的智(zhi)能化(hua)控制(zhi)系統(tong)。同樣(yang),在氣(qi)源淨(jing)化産(chan)🙈品方(fang)面我(wo)們也(ye)進行(hang)了更(geng)加深(shen)入的(de)設計(ji)研發(fa)💔,産品(pin)從🏊🏿♀️簡(jian)單的(de)空氣(qi)過濾(lü)處理(li)到目(mu)前的(de)采用(yong)進口(kou) PLC 智能(neng)控制(zhi)處理(li)過濾(lü)過程(cheng)的裝(zhuang)置。都(dou)進行(hang)了潛(qian)心研(yan)究和(he)開發(fa)🧑🏻❤️🧑🏼,使👾我(wo)們的(de)産品(pin)不斷(duan)完善(shan)、不斷(duan)升級(ji),也使(shi)我們(men)的用(yong)戶愈(yu)來愈(yu)多,愈(yu)來愈(yu)廣,得(de)到了(le)廣大(da)用戶(hu)的充(chong)分🧛🏽好(hao)評。
GAS 型(xing)智能(neng)氣源(yuan)淨化(hua)裝置(zhi)在電(dian)廠的(de)氣源(yuan)控制(zhi)中大(da)量廣(guang)泛使(shi)👿用。目(mu)前已(yi)發展(zhan)至進(jin)入第(di)三代(dai)可編(bian)程智(zhi)能🤶🏾型(xing)産品(pin),具😁有(you)體🧎🏻♀️➡️積(ji)小巧(qiao),穩定(ding)性可(ke)靠,可(ke)實現(xian)在線(xian)安😝裝(zhuang)、設置(zhi)、調試(shi)等一(yi)系列(lie)優點(dian)。
使用(yong)我廠(chang)的 GAS 型(xing)智能(neng)氣源(yuan)淨化(hua)裝置(zhi)就能(neng)從根(gen)本上(shang)解決(jue)以上(shang)的問(wen)題,爲(wei)電廠(chang)的氣(qi)源控(kong)制運(yun)行提(ti)供穩(wen)定、可(ke)靠的(de)保證(zheng)。
二、功(gong)能特(te)點
GAS 型(xing)智能(neng)氣源(yuan)淨化(hua)裝置(zhi),該産(chan)品具(ju)有體(ti)積小(xiao),穩定(ding)性👩🏿❤️💋👨🏽可(ke)靠,可(ke)😥實現(xian)在線(xian)實時(shi)控制(zhi)系統(tong)的運(yun)行。能(neng)有效(xiao)解決(jue)儀用(yong)壓縮(suo)空氣(qi)系統(tong)中🧑🏽🎄發(fa)生氣(qi)動執(zhi)行機(ji)構或(huo)控制(zhi)單元(yuan)被水(shui)污染(ran)的難(nan)題。主(zhu)要特(te)點如(ru)下:
l GAS型(xing)智能(neng)氣源(yuan)淨化(hua)裝置(zhi)核心(xin)部分(fen)采用(yong)進口(kou)高檔(dang)單片(pian)機爲(wei)控制(zhi)🧎🏻♀️➡️核心(xin),增加(jia)了在(zai)線溫(wen)度、濕(shi)度檢(jian)測單(dan)元模(mo)塊,控(kong)制程(cheng)序可(ke)根據(ju)檢😍測(ce)到的(de)實際(ji)工況(kuang)調整(zheng)排放(fang)時間(jian);
l 良好(hao)的人(ren)機工(gong)作界(jie)面,設(she)置參(can)數永(yong)久保(bao)存,永(yong)不丢(diu)失👩🏿❤️💋👨🏽數(shu)據。具(ju)有現(xian)場中(zhong)斷測(ce)試功(gong)能、軟(ruan)中斷(duan)測試(shi)功能(neng),軟件(jian)🚶🏾♀️➡️設計(ji)預留(liu)局部(bu)網絡(luo)功能(neng);
l 真正(zheng)實現(xian)智能(neng)化自(zi)動排(pai)水、無(wu)損排(pai)水,從(cong)根本(ben)上徹(che)底減(jian)少固(gu)定間(jian)隔排(pai)水方(fang)式所(suo)導緻(zhi)的電(dian)磁閥(fa)頻繁(fan)動作(zuo)和氣(qi)源損(sun)失;
l 當(dang)檢測(ce)到管(guan)道内(nei)有水(shui)并達(da)到一(yi)定水(shui)位時(shi),即進(jin)行排(pai)水,排(pai)⛹🏻♂️放💑🏾時(shi)間智(zhi)能控(kong)制,排(pai)水完(wan)畢後(hou)即時(shi)關閉(bi)閥🚶🏾♀️➡️門(men),從根(gen)本上(shang)防止(zhi)出現(xian)排完(wan)水後(hou)閥門(men)仍未(wei)關閉(bi)所産(chan)生的(de)壓縮(suo)空氣(qi)直接(jie)對空(kong)排氣(qi)現象(xiang)。
l 帶LCD液(ye)晶顯(xian)示,可(ke)顯示(shi)管道(dao)内氣(qi)體的(de)溫度(du)、濕度(du)等數(shu)據。
l 帶(dai)測試(shi)按鈕(niu),可以(yi)随時(shi)測試(shi)電磁(ci)閥動(dong)作情(qing)況并(bing)通過(guo)LED予以(yi)顯示(shi)。
GAS 型智(zhi)能氣(qi)源淨(jing)化裝(zhuang)置 特(te)别加(jia)強了(le)安全(quan)可靠(kao)性設(she)計,能(neng)夠在(zai)惡劣(lie)工況(kuang)環境(jing)下可(ke)靠運(yun)行。防(fang)護等(deng)級 I P65。軟(ruan)件設(she)計具(ju)有在(zai)線自(zi)診斷(duan)(包括(kuo)失電(dian)報警(jing));軟件(jian)控制(zhi)🙈采用(yong)模糊(hu)控制(zhi)(Fuzzy Cotltro J)策略(lue) , 确保(bao)排水(shui)對氣(qi)源系(xi)統壓(ya)力的(de)擾動(dong)最小(xiao),從而(er)保障(zhang)氣動(dong)執行(hang)😗機構(gou)和/或(huo)控制(zhi)單元(yuan)的安(an)全穩(wen)定可(ke)靠。
GAS 型(xing)智能(neng)氣源(yuan)淨化(hua)裝置(zhi) 采用(yong)模塊(kuai)化設(she)計 , 産(chan)品根(gen)據 可(ke) 不同(tong)用 戶(hu)要求(qiu), 分單(dan)回路(lu)、雙回(hui)路、四(si)回路(lu) 等規(gui)格 。
三(san)、技術(shu)指标(biao)
l 供電(dian)電源(yuan):電壓(ya): 8 5~2 65 V AC 頻率(lü):50HZ±10%
l 環境(jing)溫度(du):-20~60℃
l 環境(jing)濕度(du): ≤ 95%RH
防護(hu)等級(ji):IP65
l 網絡(luo)接口(kou):RS485(可選(xuan)件)
l 數(shu)據保(bao)存:設(she)定數(shu)據永(yong)久保(bao)存
l 工(gong)作介(jie)質:壓(ya)縮空(kong)氣
l 介(jie)質 溫(wen)度:-2 5 ~ 8 0℃
l 輸(shu)入、輸(shu)出氣(qi)源壓(ya)力:≤9.9kgf/cm2
l 過(guo)濾器(qi)輸出(chu)流量(liang) : 8000L/min
l 輸入(ru)、輸出(chu)氣源(yuan)管路(lu):Φ25、Φ35(可根(gen)據 用(yong)戶要(yao)求 定(ding) 制 )
l
過(guo)濾精(jing)度:過(guo)濾精(jing)度達(da)到5μm,除(chu)水效(xiao)率不(bu)低于(yu)96%
四、安(an)裝及(ji)保養(yang)
GAS 型智(zhi)能氣(qi)源淨(jing)化裝(zhuang)置可(ke)根據(ju)現場(chang)條件(jian),水平(ping)放置(zhi)在氣(qi)💞源管(guan)路的(de)旁邊(bian),進氣(qi)及出(chu)氣管(guan)(在箱(xiang)體側(ce)面)采(cai)用焊(han)😗接式(shi)活絡(luo)接頭(tou)連接(jie)😗(也可(ke)根據(ju)用戶(hu)要求(qiu)采用(yong)😘金屬(shu)軟管(guan)),根據(ju)自身(shen)氣源(yuan)的質(zhi)😍量定(ding)期更(geng)換濾(lü)芯,确(que)保氣(qi)源暢(chang)✋通無(wu)阻,保(bao)障全(quan)廠的(de)氣動(dong)設備(bei)正常(chang)運行(hang)👀。
安裝(zhuang)時隻(zhi)需放(fang)一路(lu)220V交流(liu)電源(yuan)接入(ru)控制(zhi)箱内(nei)電源(yuan)端子(zi)🙂↕️處🙂↔️,内(nei)部😺控(kong)制接(jie)線的(de)出廠(chang)進均(jun)已接(jie)好,不(bu)需用(yong)戶連(lian)接,然(ran)後連(lian)接好(hao)進氣(qi)及出(chu)氣管(guan)路,打(da)開電(dian)源,設(she)置好(hao)控制(zhi)參數(shu)💁🏼♀️,即可(ke)投入(ru)使用(yong)。
五、模(mo)式單(dan)元圖(tu)
圖一(yi) 無源(yuan)
模式(shi)單元(yuan)圖
圖(tu)二 有(you)源 模(mo)式單(dan)元圖(tu)
六、選(xuan)型指(zhi)導